Bulldozer, la nuova architettura di CPU di AMD è attesa sul mercato nei prossimi mesi, ma scarseggiano ancora informazioni in merito alle performance (l'unica indicazione apparsa è quella che avevamo trattato in questa news) e alle piattaforme su cui sarà possibile alloggiare i nuovi processori.
E' di oggi però la notizia che qualcosa inizia a muoversi da parte dei produttori, e come spesso accade, è ASRock a sorprendere annunciando la prima scheda madre compatibile con il nuovo socket AM3+ che ospiterà Bulldozer.
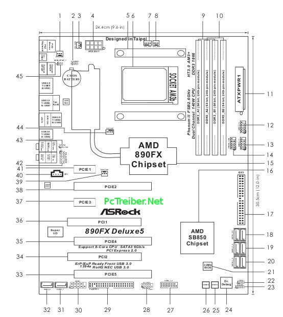
ASRock 890FX Deluxe5 supporta processori con socket AM3+ e AM3 (AMD PhenomTM II X6 / X4 / X3 / X2 (except 920 / 940) / Athlon II X4 / X3 / X2 /Sempron processors). Seppur non citata esplicitamente, la dicitura "support 8-core CPU" lascia ben pochi dubbi, assieme al supporto al socket AM3+, sulla compatibilità con le CPU di prossima generazione (AMD Vision Black).
La scheda supporta inoltre la tecnologia UCC (Unlock CPU Core), dispone di un'alimentazione a 8+2 fasi e supporta CPU con TDP fino a 140W, oltre alla tecnologia di risparmio energetico Cool 'n' Quiet.
Sulla scheda alloggiano un northbridge AMD 890FX e un southbridge SB850.
Gli slot di espansione includono tre PCI-Express 2.0 x16, due PCI-E x1 e un PCI. Lo storage è garantito attraverso sei porte SATA 6 Gb/s rese disponibili dall'SB850 e due ulteriori SATA e un connettore IDE sono resi disponibile da un controller di terze parti. Disponibile l'audio HD ad 8 canali con connettifità ottica e coassiale SPDIF.
L'area delle connettività include infine sei porte USB 3.0, un numero non noto di porte USB 2.0, gigabit Ethernet, eSATA e FireWire.
A chiudere la panoramica troviamo BIOS UEFI con supporto GUI.
Non è noto quando verrà introdotta sul mercato, ma è ragionevole aspettare tempi brevi.
UPDATE: a questo indirizzo è disponibile la pagina ufficiale della scheda madre.
E' di oggi però la notizia che qualcosa inizia a muoversi da parte dei produttori, e come spesso accade, è ASRock a sorprendere annunciando la prima scheda madre compatibile con il nuovo socket AM3+ che ospiterà Bulldozer.
ASRock 890FX Deluxe5 supporta processori con socket AM3+ e AM3 (AMD PhenomTM II X6 / X4 / X3 / X2 (except 920 / 940) / Athlon II X4 / X3 / X2 /Sempron processors). Seppur non citata esplicitamente, la dicitura "support 8-core CPU" lascia ben pochi dubbi, assieme al supporto al socket AM3+, sulla compatibilità con le CPU di prossima generazione (AMD Vision Black).
La scheda supporta inoltre la tecnologia UCC (Unlock CPU Core), dispone di un'alimentazione a 8+2 fasi e supporta CPU con TDP fino a 140W, oltre alla tecnologia di risparmio energetico Cool 'n' Quiet.
Sulla scheda alloggiano un northbridge AMD 890FX e un southbridge SB850.
Gli slot di espansione includono tre PCI-Express 2.0 x16, due PCI-E x1 e un PCI. Lo storage è garantito attraverso sei porte SATA 6 Gb/s rese disponibili dall'SB850 e due ulteriori SATA e un connettore IDE sono resi disponibile da un controller di terze parti. Disponibile l'audio HD ad 8 canali con connettifità ottica e coassiale SPDIF.
L'area delle connettività include infine sei porte USB 3.0, un numero non noto di porte USB 2.0, gigabit Ethernet, eSATA e FireWire.
A chiudere la panoramica troviamo BIOS UEFI con supporto GUI.
Non è noto quando verrà introdotta sul mercato, ma è ragionevole aspettare tempi brevi.
UPDATE: a questo indirizzo è disponibile la pagina ufficiale della scheda madre.
Xh Staff